
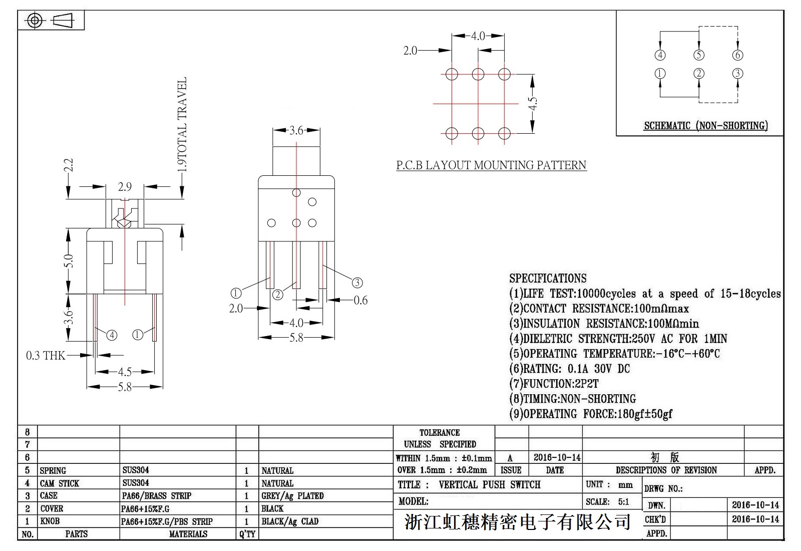
自锁开关技术参数:
1. 额定负荷: DC 30V 50V 0.3A 0.5A
2. 接触阻抗: ≤100mΩ
3. 绝缘阻抗: DC 250V ≥100mΩ
4. 耐焊温度: 250±5° 5s
5. 使用寿命: 10000 cycles
6. 使用温度: -25 ℃ to 80 ℃
7. 使用湿度: ≤85% RH
8. 操作力: 240gf ±80gf
9.操作力:240±80 gf
10.功能选择:自锁/无锁
11.品牌 科斯达 KSDKG
12.应用:汽车电器、安防产品、电子玩具、电脑周边产品、家用电器、智能交通等。
Self-Locking Switch technical parameters:
1. Rated load: DC 30V 50V 0.3A 0.5A
2. Contact impedance: ≤100mΩ
3. Insulation resistance: DC 250V ≥100mΩ
4. Soldering resistance temperature: 250±5° 5s
5. Service life: 10000 cycles
6. Operating temperature: -25 ℃ to 80 ℃
7. Operating humidity: ≤85% RH
8. Operating force: 240gf ±80gf
9.Operating force: 240±80 gf
10.Function selection: self-locking/non-locking
11. Brand Kosod switch KSDKG
12. Application: automotive electrical appliances, security products, electronic toys, computer peripheral products, household appliances, intelligent transportation, etc.