国产av

KS-PB-12E58-E-3P

产品详情

请点击此网站上的“联系我们”联系销售人员
请点击此网站上的“联系我们”联系销售人员

 

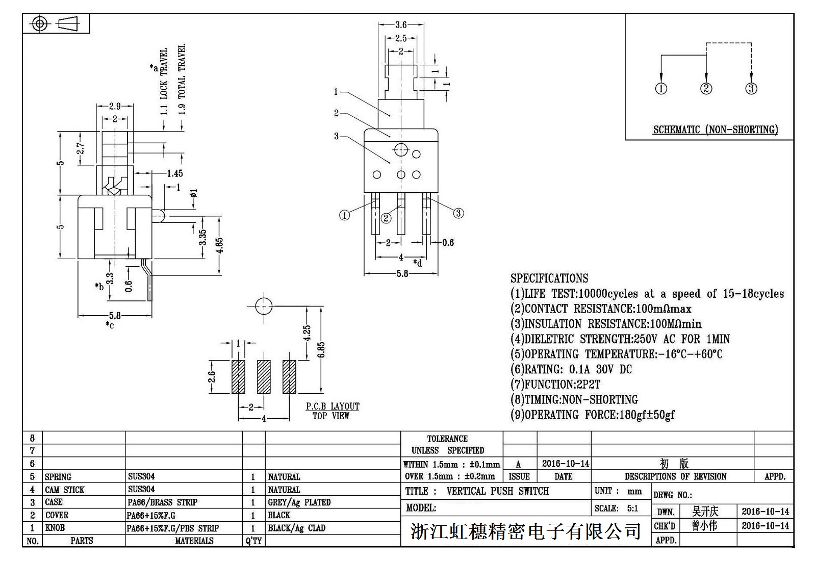
自锁开关技术参数:

1. 额定负荷DC 30V  50V  0.3A  0.5A

2. 接触阻抗100mΩ

3. 绝缘阻抗: DC 250V 100mΩ

4. 耐焊温度: 250±5° 5s

5. 使用寿命: 10000 cycles

6. 使用温度: -25 ℃ to 80 

7. 使用湿度85% RH

8. 操作力: 240gf ±80gf

9.操作力:240±80 gf

10.功能选择:自锁/无锁

11.品牌 科斯达 KSDKG

12.应用:汽车电器、安防产品、电子玩具、电脑周边产品、家用电器、智能交通等。

 

Self-Locking Switch technical parameters:

1. Rated load: DC 30V 50V 0.3A 0.5A

2. Contact impedance: ≤100mΩ

3. Insulation resistance: DC 250V ≥100mΩ

4. Soldering resistance temperature: 250±5° 5s

5. Service life: 10000 cycles

6. Operating temperature: -25 ℃ to 80 ℃

7. Operating humidity: ≤85% RH

8. Operating force: 240gf ±80gf

9.Operating force: 240±80 gf

10.Function selection: self-locking/non-locking

11. Brand  Kosod switch  KSDKG

12. Application: automotive electrical appliances, security products, electronic toys, computer peripheral products, household appliances, intelligent transportation, etc.

 

收缩