国产av

PS10-5-B1R3W3-M3

产品详情

请点击此网站上的“联系我们”联系销售人员
请点击此网站上的“联系我们”联系销售人员


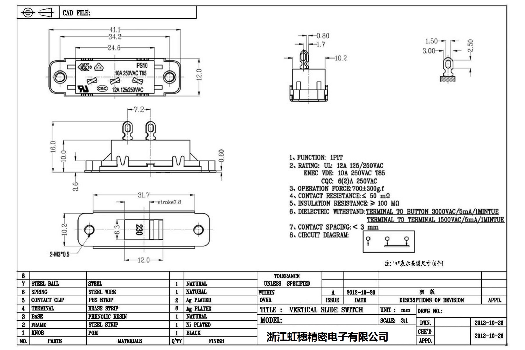
电源滑动开关/电源拨动开关 /技术参数
1、功能:2P2
T2、额定值:
U:12A 125/250VACcQc: 6(2)A 250VAC
ENEC VDE:10A 250VAC u T85
3、操作力1200士400g.f4、接触电阻:≤50mn5、绝缘电阻≥100 Ma
6、DIELECTRIC 4ITHSTAND:端子至按钮_3000VAC/5mA/1MINTUB
TERMTINAL.TOTERMINAL150OVAC/5mA/1MINTUE

POWER SLIDE SWITCH / POWER SLIDE SWITCH / TECHNICAL PARAMETERS
1、FUNCTION: 2P2T2、RATING:
U:12A 125/250VACcQc: 6(2)A 250VAc
ENEC VDE:10A 250VAC u T85
3、OPBRATION FORCE1200士400g.f4、CONTACT RESISTANCE:≤50mn5、INSUL.ATION RESISTANCE ≥100 Ma
6、DIELECTRIC 4ITHSTAND: TERMINAL TO BUTTON_3000VAC/5mA/1MINTUB
TERMTINAL.TOTERMINAL150OVAC/5mA/1MINTUE

 

 

 

收缩