
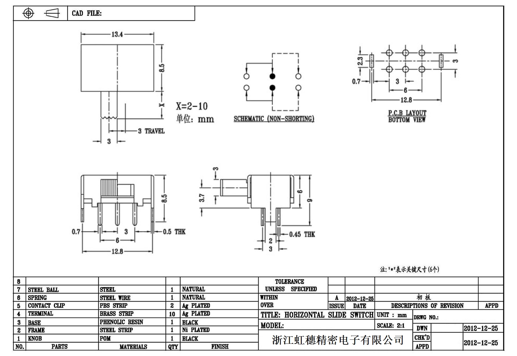
卧式拨动开关侧拨技术指标
1. 额定负荷: DC 12V 30V 0.3A 0.5A
2. 接触阻抗: ≤50mΩ
3. 绝缘阻抗: ≥100mΩ DC500V
4. 耐焊温度: 250±5°5s
5. 使用寿命: 10,000 cycles
6. 使用温度: -25 ℃ to 80 ℃
7. 使用湿度: ≤85% RH
8. 操作力 : 160gf 180gf 260gf 可定制
9.手柄长度:2MM-10MM 可定制
应用:汽车电器、工控设备、数码产品、安防、电脑、通讯产品、家用电器、智能交通等。
Horizontal toggle switch sidedial/horizontal slide switch technical indicators
1. Rated load: DC 12V 30V 0.3A 0.5A
2. Contact impedance: ≤50mΩ
3. Insulation resistance: ≥100mΩ DC500V
4. Soldering resistance temperature:250±5°5s
5. Service life: 10,000 cycles
6. Operating temperature: -25 ℃ to 80 ℃
7. Operating humidity: ≤85% RH
8. Operating force: 160gf 180gf 260gf canbe customized
9. Handle length: 2MM-10MM can becustomized
Application: automotive electricalappliances, industrial control equipment, digital products, security,computers, communication products, household appliances, intelligenttransportation, etc.