USB-TYPE-C-027

产品详情

请点击此网站上的“联系我们”联系销售人员
请点击此网站上的“联系我们”联系销售人员

 

品名:Type c USB插座TYPE C连接器

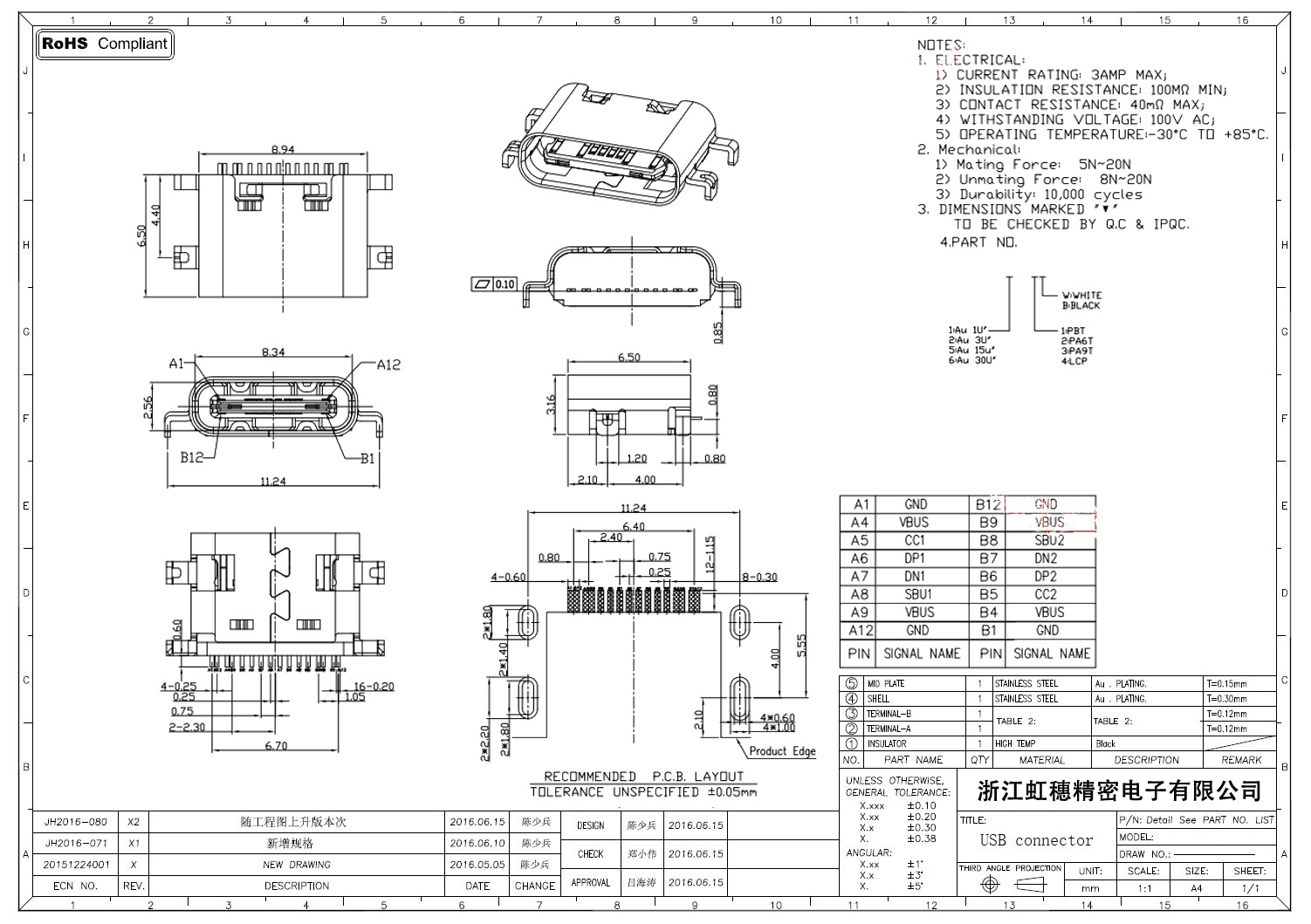
USB Type C母座技术参数:

1.额定负荷: DC 30V 60V  1A  3A

2.接触电阻: 50mΩ

3.绝缘阻抗: 100mΩ DC250V

4.耐焊温度: 250℃+5

5.使用湿度: 85%RH

6.插拔寿命:10,000 Cycles

7.插拔力:2-20N

8.品牌 科斯达  KOSOD  KSDKG

 

Product name: Type C USB Jack connector Type c connector

Technical parameters of USB Type C female seat:

1. Rated load: DC 30V 60V 1A 3A

2. Contact resistance: 50mΩ

3. Insulation resistance: 100mΩ DC250V

4. Soldering resistance temperature: 250℃+5

5. Operating humidity: 85%RH

6. Plug life: 10,000 Cycles

7. Insertion and extraction force: 2-20N

8. Brand  KOSOD  KSDKG

 

收缩