

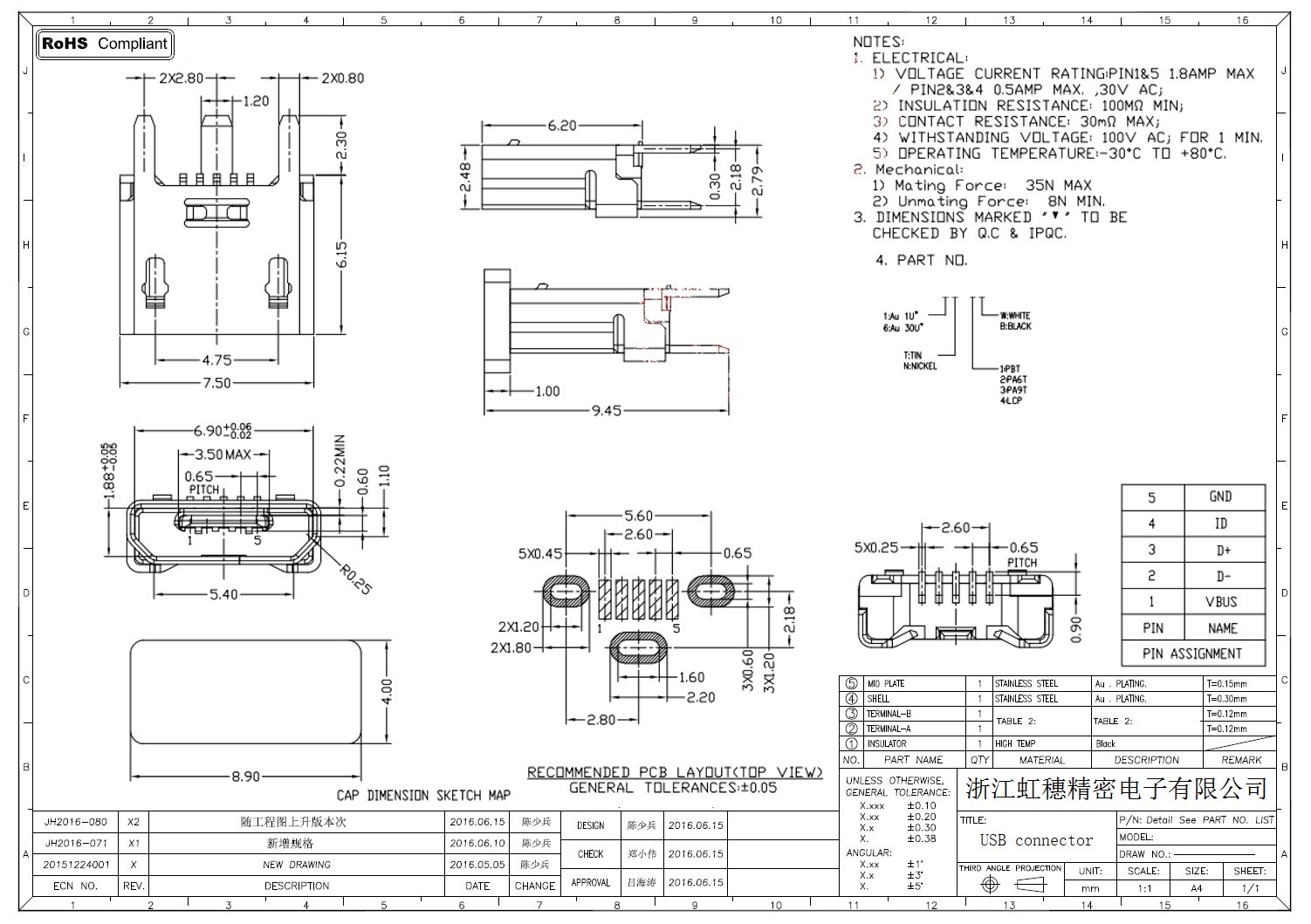
品名:Micro USB插座连接器
MICRO USB插座技术参数:
1.额定负荷: DC 30V 60V 1A 3A
2.接触电阻: ≤50mΩ
3.绝缘阻抗: ≥100mΩ DC250V
4.耐焊温度: 250℃+5℃
5.使用湿度: ≤85%RH
6.插拔寿命:10,000 Cycles
7.插拔力:2-20N
8.品牌 科斯达 KOSOD KSDKG
Product name: MICRO USB Jack connector
Technical parameters of Micro USB female seat:
1. Rated load: DC 30V 60V 1A 3A
2. Contact resistance: ≤50mΩ
3. Insulation resistance: ≥100mΩ DC250V
4. Soldering resistance temperature: 250℃+5℃
5. Operating humidity: ≤85%RH
6. Plug life: 10,000 Cycles
7. Insertion and extraction force: 2-20N
8. Brand KOSOD KSDKG