国产av

HK-14-16AP-1123

产品详情

请点击此网站上的“联系我们”联系销售人员
请点击此网站上的“联系我们”联系销售人员

 

微动开关

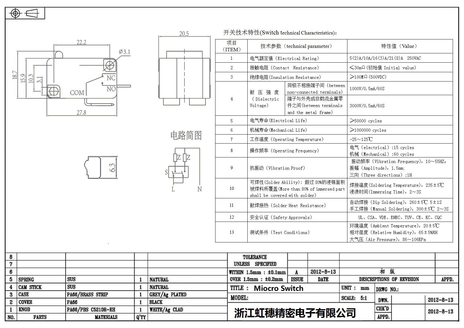
微动开关电气特性
1.额定负荷: DC 30V  125V 250V  1A 5A 10A 16A

2.接触电阻: ≤100mΩ
3.绝缘阻抗: AC 500V 1Minute
4.使用温度: 25℃85℃
5.操作力 :30±15gf
6.机械寿命:3,000,000Cycles
7.定制选择:AC 125V 3A
8.操作力:30±15gf
9.特点:弹片压柄 行程长

微动开关使用注意介绍
.请根据额定值电流、操作负载、驱动杆的种类、使用温度等要求选择合适型号的开关;
 .在潮湿,杂质、尘埃较多的环境中请选用密封型开关。
.请不要往按钮及驱动部位加油,否则可能引起开关功能异常甚至烧损。
.请将开关安装在平面上,并用平垫圈或弹簧垫圈紧固,如果安装面凹凸不平,会导致开关功能失效或破损。

:开关储存环境;产品应存放在没有雨雪侵袭、空气流通、干爆濡席为 o℃~55℃ 、没有有害介质存在的库房中堆放层数不高于 5 层,且进行密封储存。

开关应用范围:广泛应用于各种家用电器、医疗器械、军工行业、电子设备、自动化设备、通讯设备.汽车电子、电动工具等领域。

 

 

收缩