


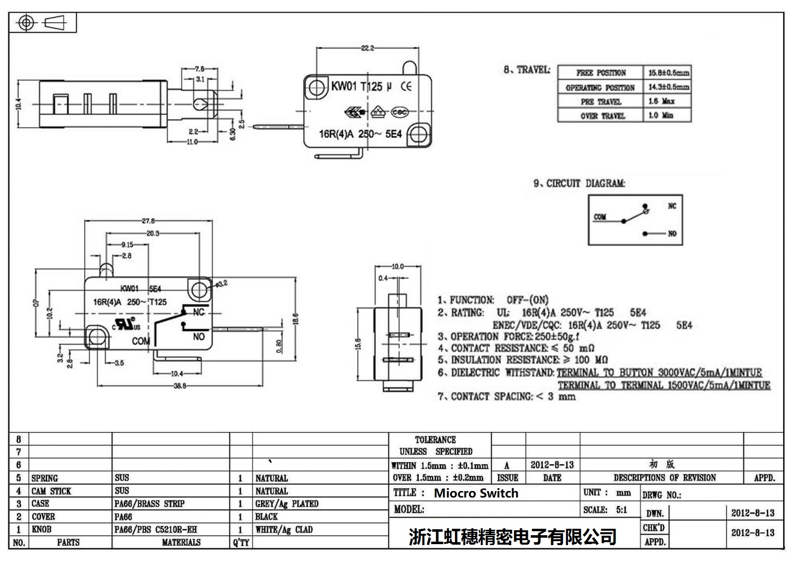
微动开关 技术参数
1、功能:orr-(ON)
2、额定值::16E(4)A 250V~T1255E4
ENEC/VDs/cQc: 16R(4)A 250V~ T126 5E4
3、操作 FORCa250士50g.f
4、接触电阻≤50mn5、绝缘电阻≥100 Mo
6、绝缘耐压:TBRMINAL TDO BUTTON 3000VAC/5mA/1MINTUB
TERMINALTOTBRMINAL1500VAC/5mA/1MINTUB
7、触点间距:< 3 mm
Micro switch technical parameters
1、FUNCTION:orr-(ON)
2、RATING::16E(4)A 250V~T1255E4
ENEC/VDs/cQc: 16R(4)A 250V~ T126 5E4
3、OPERATION FORCa250士50g.f
4、cONTACT RESISTANCE≤50mn5、NSULATION RPSISTANCE ≥100 Mo
6、DIELECTRIC wITHSTAND: TBRMINAL TDO BUTTON 3000VAC/5mA/1MINTUB
TERMINALTOTBRMINAL1500VAC/5mA/1MINTUB
7、CONTACT SPACING:< 3 mm